您当前的位置:首页 > 加工中心用电主轴加工中心用电主轴
加工中心用电主轴
发布时间:2016-07-26 13:07:23

主轴参数 | |||||||
| 型号 | 刀柄 | 最高转速 r/min | 频率 Hz | 功率 Kw | 电压 V | 电流 A | 润滑 |
| BT30-JD140Z24 | BT30 | 24000 | 400 | 5 | 380 | 10.8 | 油脂 |
| BT40-JD170Z06 | BT40 | 6000 | 200 | 7.5 | 350 | 16.8 | 油脂 |
| BT50-JD230Z05 | BT50 | 5000 | 167 | 18.5 | 380 | 45 | 油脂 |
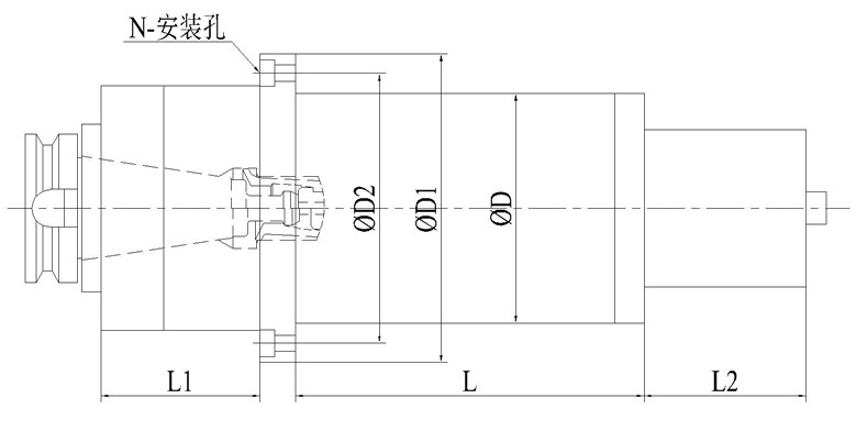
| 安装参数 | |||||||
| 型号 | D | D1 | D2 | L | L1 | L2 | N-安装孔 |
| BT30-JD140Z24 | 140 | 180 | 160 | 211 | 45 | 210 | 6-M8 |
| BT40-JD170Z06 | 170 | 220 | 194 | 335 | 70 | 275 | 6-M8 |
| BT50-JD230Z05 | 230 | 276 | 253 | 455 | 36 | 285 | 8-M12 |
上一篇:已经没有了
下一篇:车床A2-4电主轴


